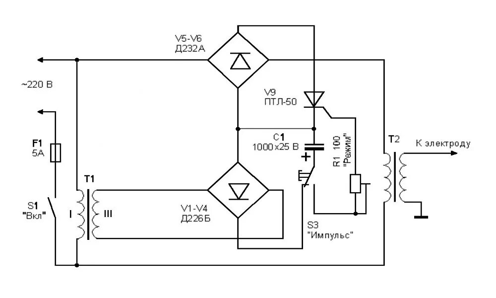
Схема споттера

Точечная сварка схема управления на тиристоре. Схема подключения точечной сварки. Схема электрическая самодельного споттера. Схема сварочного аппарата для точечной сварки аккумуляторов. Контактная сварка схема управления.
Точечная сварка схема управления на тиристоре. Схема подключения точечной сварки. Схема электрическая самодельного споттера. Схема сварочного аппарата для точечной сварки аккумуляторов. Контактная сварка схема управления.
Схема споттера. Точечная сварка из трансформатора микроволновки схема. Схема споттера. Контактная сварка схема электрическая принципиальная. Схема споттера.
Схема споттера. Точечная сварка из трансформатора микроволновки схема. Схема споттера. Контактная сварка схема электрическая принципиальная. Схема споттера.
Споттер из инверторного сварочного аппарата. Схема споттера. Точечная сварка схема электрическая принципиальная. Схема споттера. Точечная сварка из микроволновки своими руками схема.
Споттер из инверторного сварочного аппарата. Схема споттера. Точечная сварка схема электрическая принципиальная. Схема споттера. Точечная сварка из микроволновки своими руками схема.
Споттер схема электрическая принципиальная. Схема подключения точечной сварки. Схема сварочного аппарата для точечной сварки аккумуляторов. Схема импульсной контактной сварки. Схема споттера.
Споттер схема электрическая принципиальная. Схема подключения точечной сварки. Схема сварочного аппарата для точечной сварки аккумуляторов. Схема импульсной контактной сварки. Схема споттера.
Схема импульсной точечной сварки. Схема инверторного споттера. Схема сварочного аппарата для точечной сварки аккумуляторов. Споттер пилот схема. Контактная сварка схема электрическая принципиальная.
Схема импульсной точечной сварки. Схема инверторного споттера. Схема сварочного аппарата для точечной сварки аккумуляторов. Споттер пилот схема. Контактная сварка схема электрическая принципиальная.
Контроллер споттера схема. Схема споттера для точечной сварки. Схема споттера. Споттер telwin 5500 схема. Схема аппарата для точечной сварки аккумуляторов.
Контроллер споттера схема. Схема споттера для точечной сварки. Схема споттера. Споттер telwin 5500 схема. Схема аппарата для точечной сварки аккумуляторов.
Схема импульсной точечной сварки. Схема точечной сварки для аккумуляторов 18650. Самодельный споттер схема. Схема подключения платы точечной сварки. Схема сварочного аппарата для сварки медных проводов.
Схема импульсной точечной сварки. Схема точечной сварки для аккумуляторов 18650. Самодельный споттер схема. Схема подключения платы точечной сварки. Схема сварочного аппарата для сварки медных проводов.
Схема самодельного споттера из аккумулятора. Схема сварочного аппарата для точечной сварки аккумуляторов. Схема инверторного споттера. Схема споттера для точечной сварки. Точечная сварка 12в схема.
Схема самодельного споттера из аккумулятора. Схема сварочного аппарата для точечной сварки аккумуляторов. Схема инверторного споттера. Схема споттера для точечной сварки. Точечная сварка 12в схема.
Точечная сварка +контроллер +схема. Схема точечной сварки на трансформаторе. Схема споттера. Схема споттер споттер из микроволновки своими руками схема. Схема споттера.
Точечная сварка +контроллер +схема. Схема точечной сварки на трансформаторе. Схема споттера. Схема споттер споттер из микроволновки своими руками схема. Схема споттера.
Схема подключения точечной сварки. Схема аппарата точечной сварки трансформатор микроволновки. Схема споттера. Схема сварочного аппарата для точечной сварки аккумуляторов. Электросхема контактной сварки.
Схема подключения точечной сварки. Схема аппарата точечной сварки трансформатор микроволновки. Схема споттера. Схема сварочного аппарата для точечной сварки аккумуляторов. Электросхема контактной сварки.
Схема реле времени для контактной сварки. Схема споттера из аккумулятора и втягивающего схема. Схема споттера. Электрическая схема самодельной точечной сварки. Реле времени для точечной сварки схема.
Схема реле времени для контактной сварки. Схема споттера из аккумулятора и втягивающего схема. Схема споттера. Электрическая схема самодельной точечной сварки. Реле времени для точечной сварки схема.
Схема споттера для точечной сварки. Схема подключения платы точечной сварки. Схема инверторного споттера. Схема споттера. Схема аппарата точечной сварки трансформатор микроволновки.
Схема споттера для точечной сварки. Схема подключения платы точечной сварки. Схема инверторного споттера. Схема споттера. Схема аппарата точечной сварки трансформатор микроволновки.
Схема споттера для точечной сварки. Схема реле времени для контактной сварки. Контроллер точечной сварки (споттера). Схема устройства контактной сварки. Конденсаторная контактная сварка схема.
Схема споттера для точечной сварки. Схема реле времени для контактной сварки. Контроллер точечной сварки (споттера). Схема устройства контактной сварки. Конденсаторная контактная сварка схема.
Схема споттера своими руками из акб. Схема устройства контактной сварки. Схема подключения споттера из микроволновки. Электрическая схема точечной сварки. Точечная сварка +контроллер +схема.
Схема споттера своими руками из акб. Схема устройства контактной сварки. Схема подключения споттера из микроволновки. Электрическая схема точечной сварки. Точечная сварка +контроллер +схема.
Схема включения контактной сварки. Электрическая схема контактной сварки. Самодельный споттер схема. Точечная сварка из трансформатора микроволновки схема. Схема споттера.
Схема включения контактной сварки. Электрическая схема контактной сварки. Самодельный споттер схема. Точечная сварка из трансформатора микроволновки схема. Схема споттера.
Схема споттера. Споттер из сварочного аппарата инвертора схема. Точечная сварка +контроллер +схема. Реле времени для точечной сварки схема. Споттер схема электрическая принципиальная.
Схема споттера. Споттер из сварочного аппарата инвертора схема. Точечная сварка +контроллер +схема. Реле времени для точечной сварки схема. Споттер схема электрическая принципиальная.
Контактная сварка схема электрическая принципиальная. Схема подключения сварочного аппарата точечной сварки. Схема устройства контактной сварки. Точечная сварка на тиристоре схема. Споттер из втягивающего реле схема подключения.
Контактная сварка схема электрическая принципиальная. Схема подключения сварочного аппарата точечной сварки. Схема устройства контактной сварки. Точечная сварка на тиристоре схема. Споттер из втягивающего реле схема подключения.
Споттер из акб схема. Схема инверторного споттера. Схемы реле времени для споттера. Схемы реле времени для споттера. Схема споттера.
Споттер из акб схема. Схема инверторного споттера. Схемы реле времени для споттера. Схемы реле времени для споттера. Схема споттера.
Схема точечной сварки для аккумуляторов 18650. Схема споттера. Споттер схема электрическая принципиальная. Точечная контактная сварка схема. Схема споттера.
Схема точечной сварки для аккумуляторов 18650. Схема споттера. Споттер схема электрическая принципиальная. Точечная контактная сварка схема. Схема споттера.
Схема споттера. Схема споттера. Импульсный источник питания для контактной сварки схема. Схема споттера. Электрическая схема споттера.
Схема споттера. Схема споттера. Импульсный источник питания для контактной сварки схема. Схема споттера. Электрическая схема споттера.