Оформление технологических схем

Машинно аппаратурная схема производства батона. Состав оборудования, назначение. Оформление технологических схем. Схема технологической линии производства мороженого. Схема монтажная технологическая установки к-0.
Машинно аппаратурная схема производства батона. Состав оборудования, назначение. Оформление технологических схем. Схема технологической линии производства мороженого. Схема монтажная технологическая установки к-0.
Технологическая схема производства кексов. Аппаратурно-технологическая схема производства творога. Оформление технологических схем. Оформление технологических схем. Машинно-аппаратурная схема линии производства.
Технологическая схема производства кексов. Аппаратурно-технологическая схема производства творога. Оформление технологических схем. Оформление технологических схем. Машинно-аппаратурная схема линии производства.
15. Чертеж технологической станции абсорбции. Машинно аппаратурная схема производства творога. Технологическая схема чертеж пример. Машинно-аппаратурная схема линии производства мороженого.
15. Чертеж технологической станции абсорбции. Машинно аппаратурная схема производства творога. Технологическая схема чертеж пример. Машинно-аппаратурная схема линии производства мороженого.
Принципиальная технологическая схема. Принципиальная схема электростанции. Технологическая схема чертеж пример. Технологическая схема производства полиэтилена чертеж. Технологическая схема чертеж пример.
Принципиальная технологическая схема. Принципиальная схема электростанции. Технологическая схема чертеж пример. Технологическая схема производства полиэтилена чертеж. Технологическая схема чертеж пример.
Технологическая схема установки воздухоотелительной к-0,15. Чертеж технологической схемы производства. Обтюратор на технологической схеме. Функциональная схема ректификационной колонны. Машинно-аппаратурная схема выработки комбикормов.
Технологическая схема установки воздухоотелительной к-0,15. Чертеж технологической схемы производства. Обтюратор на технологической схеме. Функциональная схема ректификационной колонны. Машинно-аппаратурная схема выработки комбикормов.
Оформление технологических схем. Технологическая схема. Аппаратурная схема масла сливочного. Монтажный чертеж блок очистки газа. Принципиальная технологическая схема пример.
Оформление технологических схем. Технологическая схема. Аппаратурная схема масла сливочного. Монтажный чертеж блок очистки газа. Принципиальная технологическая схема пример.
Технологическая линия производства мороженого чертеж. Технологическая схема ректификационной колонны чертеж. Оформление технологических схем. Чертёж схема установки технологическая принципиальная. Машинно-аппаратурная схема производства сывороточных напитков.
Технологическая линия производства мороженого чертеж. Технологическая схема ректификационной колонны чертеж. Оформление технологических схем. Чертёж схема установки технологическая принципиальная. Машинно-аппаратурная схема производства сывороточных напитков.
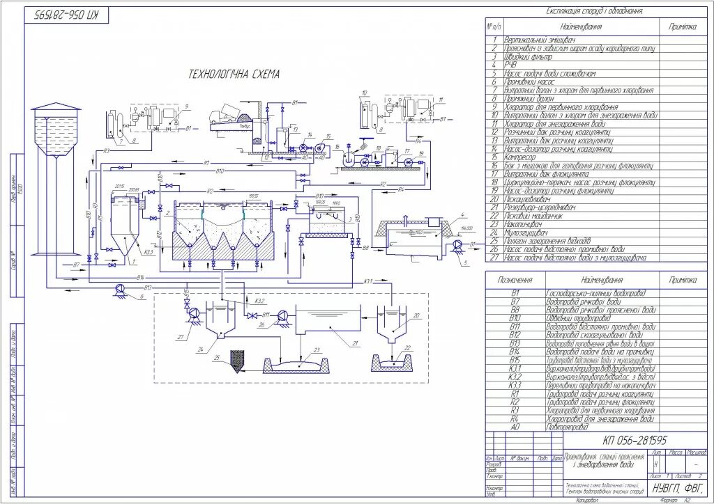
Технологическая схема водоочистной станции. 2. Оформление технологических схем. Машинно-аппаратурная схема линии производства подсолнечного масла. Аппаратурно-технологическая схема производства спирта.
Технологическая схема водоочистной станции. 2. Оформление технологических схем. Машинно-аппаратурная схема линии производства подсолнечного масла. Аппаратурно-технологическая схема производства спирта.
Оформление технологических схем. Оформление технологических схем. Принципиальная схема технологического процесса. Чертежи хим аппаратов для технологических схем. Оформление технологических схем.
Оформление технологических схем. Оформление технологических схем. Принципиальная схема технологического процесса. Чертежи хим аппаратов для технологических схем. Оформление технологических схем.
Оформление технологических схем. Схема технологического процесса производства творога. Оформление технологических схем. Требования к чертежу технологической схемы. Технологическая схема производства ниобия.
Оформление технологических схем. Схема технологического процесса производства творога. Оформление технологических схем. Требования к чертежу технологической схемы. Технологическая схема производства ниобия.
Чертеж технологической схемы производства. Технологическая схема производства этанола. Оформление технологических схем. Технологическая схема автокад. Схема автоматизации ректификационной колонны.
Чертеж технологической схемы производства. Технологическая схема производства этанола. Оформление технологических схем. Технологическая схема автокад. Схема автоматизации ректификационной колонны.
1 технологическая схема производства. Высотная схема очистной станции. Оформление технологических схем. Оформление технологических схем. Схема технологического процесса творог.
1 технологическая схема производства. Высотная схема очистной станции. Оформление технологических схем. Оформление технологических схем. Схема технологического процесса творог.
Машинно аппаратурная схема чертеж. Технологическая схема установки уптм-8к. Схема промышленной станции водоподготовки. Операторная схема конверсии природного газа. Технологическая схема производства в компасе.
Машинно аппаратурная схема чертеж. Технологическая схема установки уптм-8к. Схема промышленной станции водоподготовки. Операторная схема конверсии природного газа. Технологическая схема производства в компасе.
Обозначение шнека на технологической схеме. Технологическая схема пример оформления. Оформление технологических схем. Машинно-аппаратурная схема линии производства муки. Смеситель на технологической схеме.
Обозначение шнека на технологической схеме. Технологическая схема пример оформления. Оформление технологических схем. Машинно-аппаратурная схема линии производства муки. Смеситель на технологической схеме.
Технологическая схема ректификационной установки чертеж. Чертеж технологической схемы нанесения покрытий. Оформление технологических схем. Оформление технологических схем. Оформление технологических схем.
Технологическая схема ректификационной установки чертеж. Чертеж технологической схемы нанесения покрытий. Оформление технологических схем. Оформление технологических схем. Оформление технологических схем.
Схема двухступенчатой сероочистки природного газа. Элементы технологической схемы. Технологическая схема получения этилового спирта. Принципиальная схема технологического процесса. Смеситель сгк-1м технологическая схема.
Схема двухступенчатой сероочистки природного газа. Элементы технологической схемы. Технологическая схема получения этилового спирта. Принципиальная схема технологического процесса. Смеситель сгк-1м технологическая схема.
Машинно аппаратурная схема мороженого. Технологическая схема производства сливочного мороженого. Принципиальная технологическая схема производства метанола. Технологическая схема производства коллоксилина. Технологическая схема производства полосовой стали сечением 25х150.
Машинно аппаратурная схема мороженого. Технологическая схема производства сливочного мороженого. Принципиальная технологическая схема производства метанола. Технологическая схема производства коллоксилина. Технологическая схема производства полосовой стали сечением 25х150.
Монтажно-технологическая схема пример. Технологическая схема чертеж пример. Технологическая схема электростанции. Технологическая схема производства кумола. Технологическая схема автокад.
Монтажно-технологическая схема пример. Технологическая схема чертеж пример. Технологическая схема электростанции. Технологическая схема производства кумола. Технологическая схема автокад.
Принципиальная схема технологического процесса. Оформление технологических схем. Аппаратурно-технологическая схема производства тортов. Машинно-аппаратурная схема линии производства хлеба. Оформление технологических схем.
Принципиальная схема технологического процесса. Оформление технологических схем. Аппаратурно-технологическая схема производства тортов. Машинно-аппаратурная схема линии производства хлеба. Оформление технологических схем.
Технологическая схема установки уптм-8к. Технологическая линия производства мороженого чертеж. Технологическая схема пример оформления. Технологическая схема. Машинно-аппаратурная схема линии производства подсолнечного масла.
Технологическая схема установки уптм-8к. Технологическая линия производства мороженого чертеж. Технологическая схема пример оформления. Технологическая схема. Машинно-аппаратурная схема линии производства подсолнечного масла.